Tweaking High-Gain Preamp Modules

 

High-Gain Modules:

"I have two Hi Gain modules. But, the high gain modules seem to really accent the highs and mids. I would like to accent the lows a little more and not so much the mids and highs. Can I change out a component on these modules to accent the bass a little more?"

Here is a modification you can make: On the Hi-Gain module, there is not really any high end emphasis, but there is some low end roll off that which will give you that impression. You can change the .001uF capacitor between the first and second gain stage (Pins 1 & 7) to a larger value. This capacitor rolls the input to the second stage off at 340Hz. Start off by changing the value of this capacitor from .001uF to a .022uF and work from there. This does improve the bass response quite a bit. You can also trim some high end off by raising the value of either or both of the 560pF caps, one is on the input (Pin 2) and the other is on the output (junction of the two 47K resistors).


Hi-Gain + 6db:

You can make the same modification to the .001uF capacitor on this module as you can on the Hi-Gain module. There is also a bypass capacitor on one of the cathode resistors (Pin 3 to Gnd). This capacitor is an electrolytic type with a value of 1uF. Making this capacitor larger will add more bottom end to this module. The 560pF capacitors found on the Hi-Gain module are not present on this module.




High-Gain Module Component Layout

High-Gain +6 Module Component Layout




Tweaking Classic Preamp Modules

 

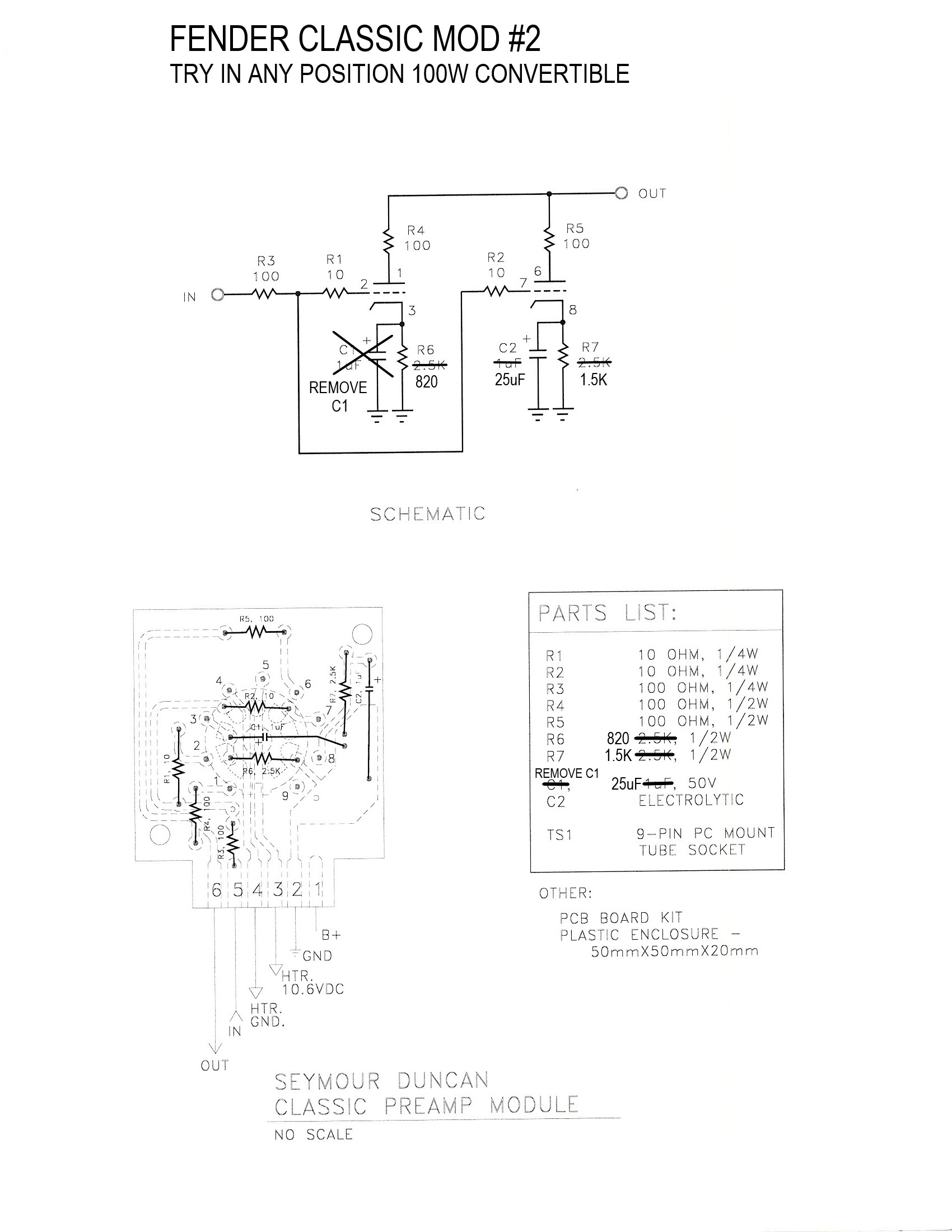
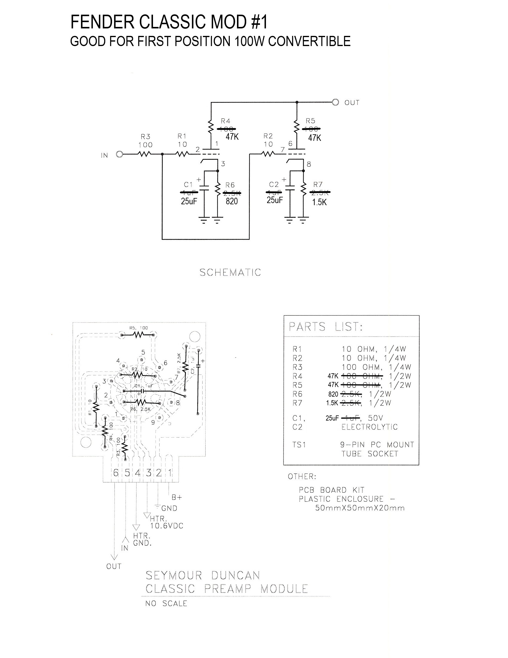
Two "Fender" mods::

I recently discovered this email from Bryan Suthard while going thru old emails. I remember this individual wanted to be able to get a more Fender-ish sound from his 100 watt Convertible. Below are links to the two mods he performed on his Classic preamp modules. I never heard back on how well these worked, so keep that in mind if you try these mods. If you do these mods, please let me know how they worked out for you!



"Fender Mod #1"

"Fender Mod #2"




Back To Previous Page