|
Marshall Series 9000 Tube Power Amp
Last
updated 8/14/05
I picked up this power amp from
a friend for $100, including an ADA 2x12 half-stack speaker cabinet loaded with a pair of 12"
Celestion speakers. I have heard this amp before when my friend played it,
and it did have that classic Marshall tone. I was originally thinking about selling it on ebay, but decided
to keep it since it's basically a stereo amplifier and I don't have one.
 |
Here is the front panel. Controls are very simple, a gain and presence control
for each channel and a standy switch for each channel. This is quite a heavy amp, it must weigh nearly
50 lbs! It takes four rack spaces - the dimensions of the front panel are 19"x7" and the unit is 10" deep.
|
 |
Here is the back, with tube access cover removed. There is a speaker load
selector for a 4, 8 or 16 ohm load. One cool feature is that there are a pair of triode/pentode
switches which can effectively make it a 25 watt or a 50 watt amp. |
 |
Here is a closer view of the back. Each channel uses a pair of 12AX7s and
a pair of EL34s. They are all Ruby Tubes, and the power tubes happen to be made by Tesla,
which is now known as J&J Tubes. The 12AX7s are chinese made. |
 |
This is a view withe the bottom cover removed. There is one power transformer,
two output transformers and two PCBs (one for each channel). The power transformer has a date
code of 10-89 on it, which makes the manufacture date somewhere between 1989 and 1990. |
 |
This is the left PCB. One thing that struck me is that the wiring is pretty tidy. |
 |
This is the right PCB. The PCBs are basically mirror images of eachother, and
the rest of the amp is basically laid out the same. |
I haven't really heard anything negative about these amps other than one report of the bias supply being "iffy".
There are still many of these to be found on ebay in working order, so it appears that they are reliable and well designed amplifiers.
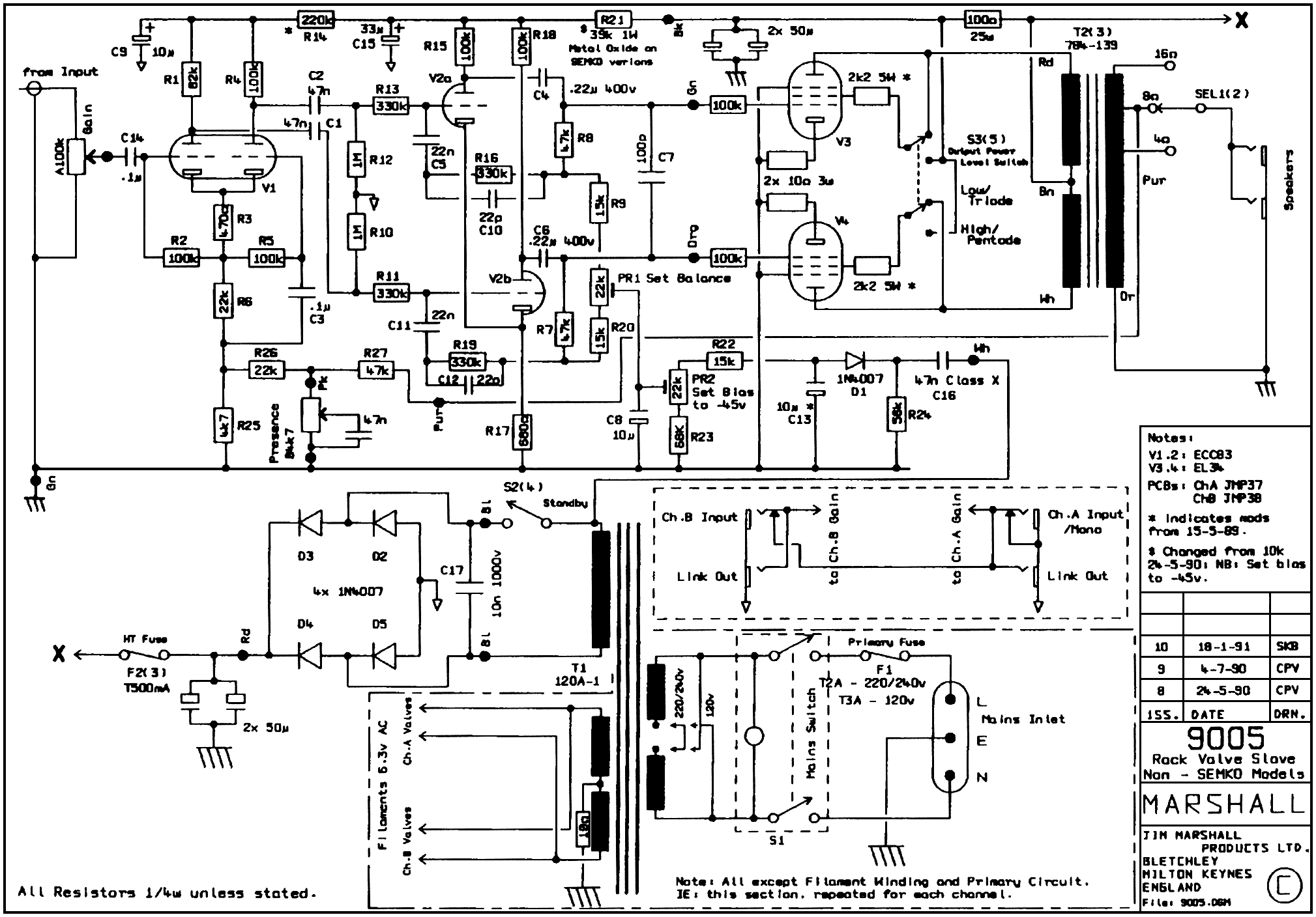
Schematic
To My Home Page
|